中国政府网
重庆市人民政府网
彭水苗族土家族自治县人民政府
部门街道
登录
注销
注册
智能机器人
繁體版
支持IPV6
无障碍
关怀版
部门
发展改革委
教委
经济信息委
民族宗教委
公安局
民政局
司法局
财政局
人力社保局
规划自然资源局
生态环境局
住房城乡建委
交通运输委
水利局
农业农村委
商务委
文化旅游委
卫生健康委
退役军人事务局
应急局
审计局
市场监管局
统计局
医保局
林业局
信访办
街镇
汉葭街道办事处
绍庆街道办事处
靛水街道办事处
高谷镇
郁山镇
保家镇
桑柘镇
鹿角镇
黄家镇
普子镇
龙射镇
连湖镇
万足镇
新田镇
鞍子镇
平安镇
长生镇
龙溪镇
梅子垭镇
太原镇
大同镇
鹿鸣乡
诸佛乡
走马乡
石柳乡
岩东乡
润溪乡
棣棠乡
乔梓乡
龙塘乡
联合乡
芦塘乡
朗溪乡
善感乡
三义乡
双龙乡
石盘乡
大垭乡
桐楼乡
网站首页
要闻动态
彭水动态
部门乡镇
通知公告
视频新闻
彭水日报
政务公开
领导信息
机关简介
政策文件
政策解读
政府工作报告
政府信息公开
基层政务公开
公共企事业单位信息
政务服务
个人办事
企业办事
个人场景式服务
企业场景式服务
办事指南解读
特色服务
便民服务
便民地图
互动交流
公开信箱
意见征集
在线调查
在线访谈
网上信访
信访查询
新媒体矩阵
政策问答库
智能机器人
走进彭水
彭水概况
行政区划
历史沿革
彭水街镇
彭水旅游
营商环境
数据发布
彭水影像
您当前位置:
首页
/
政务公开
/
政府信息公开目录
/
市场监管信息
/
市场准入负面清单
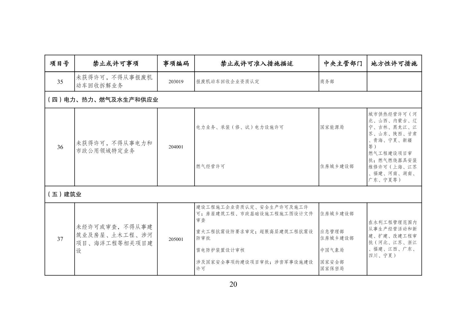
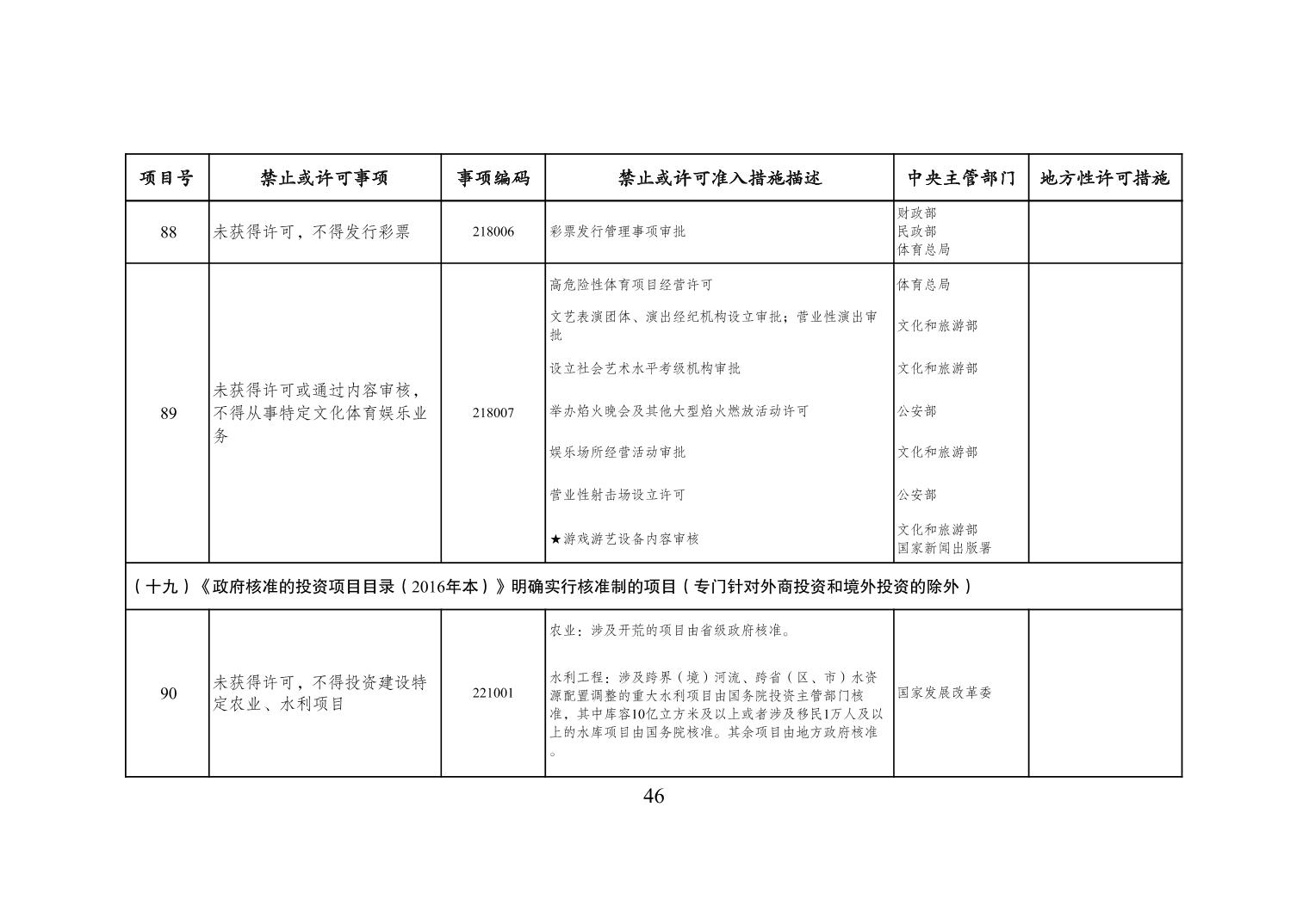
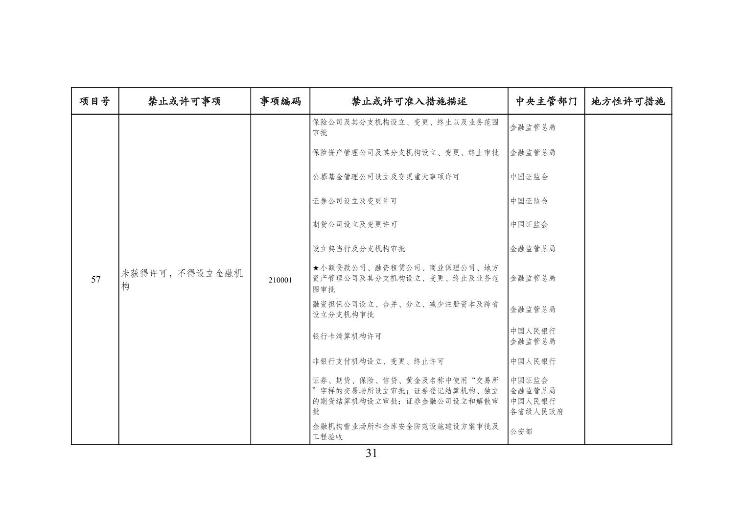
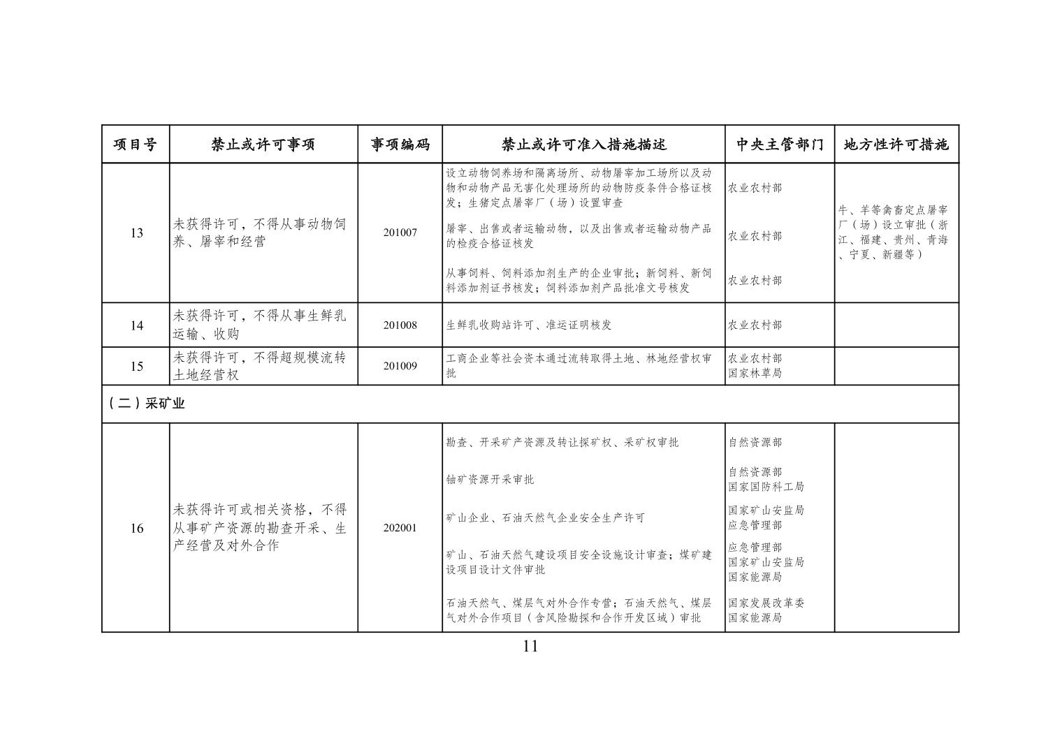
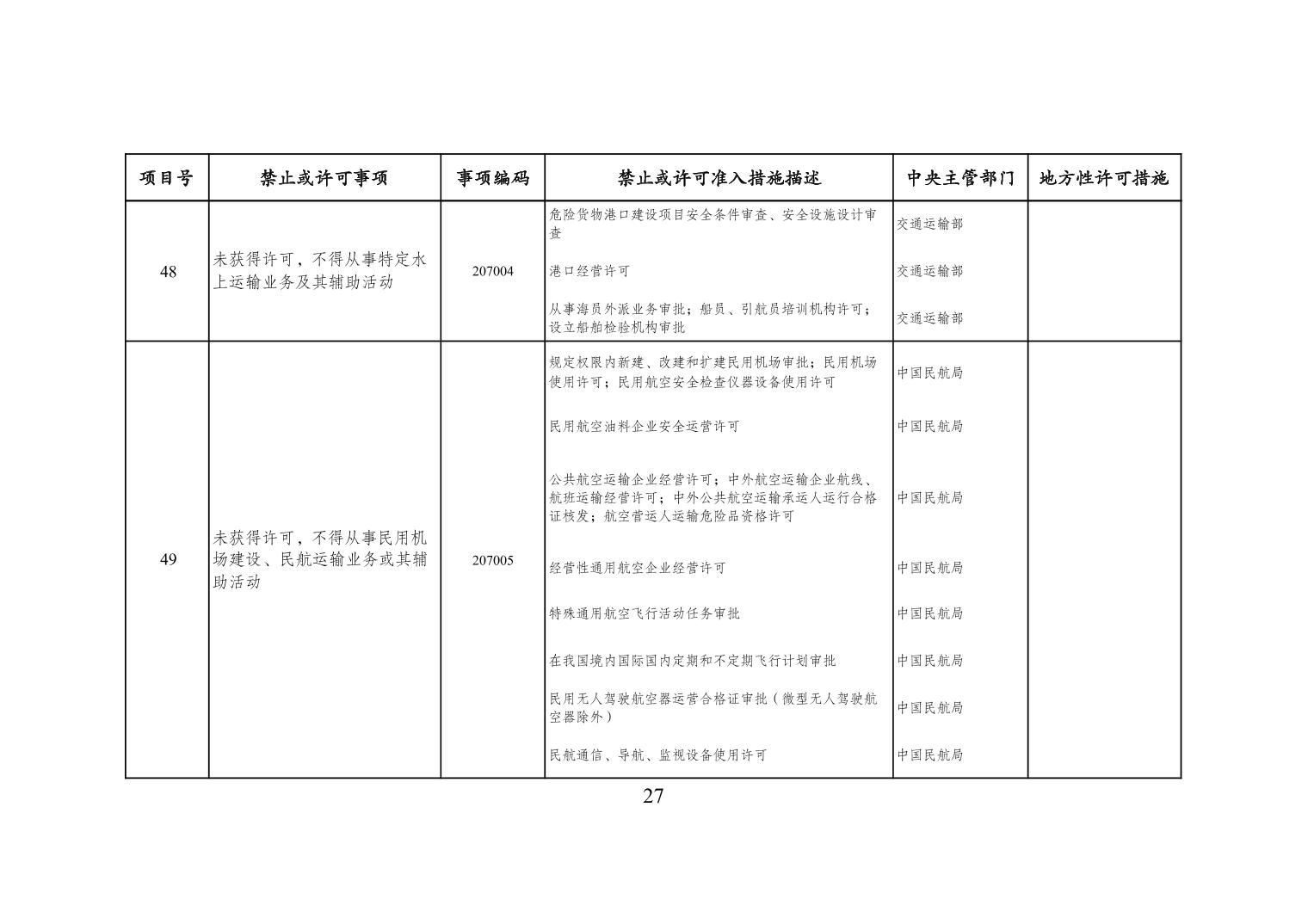
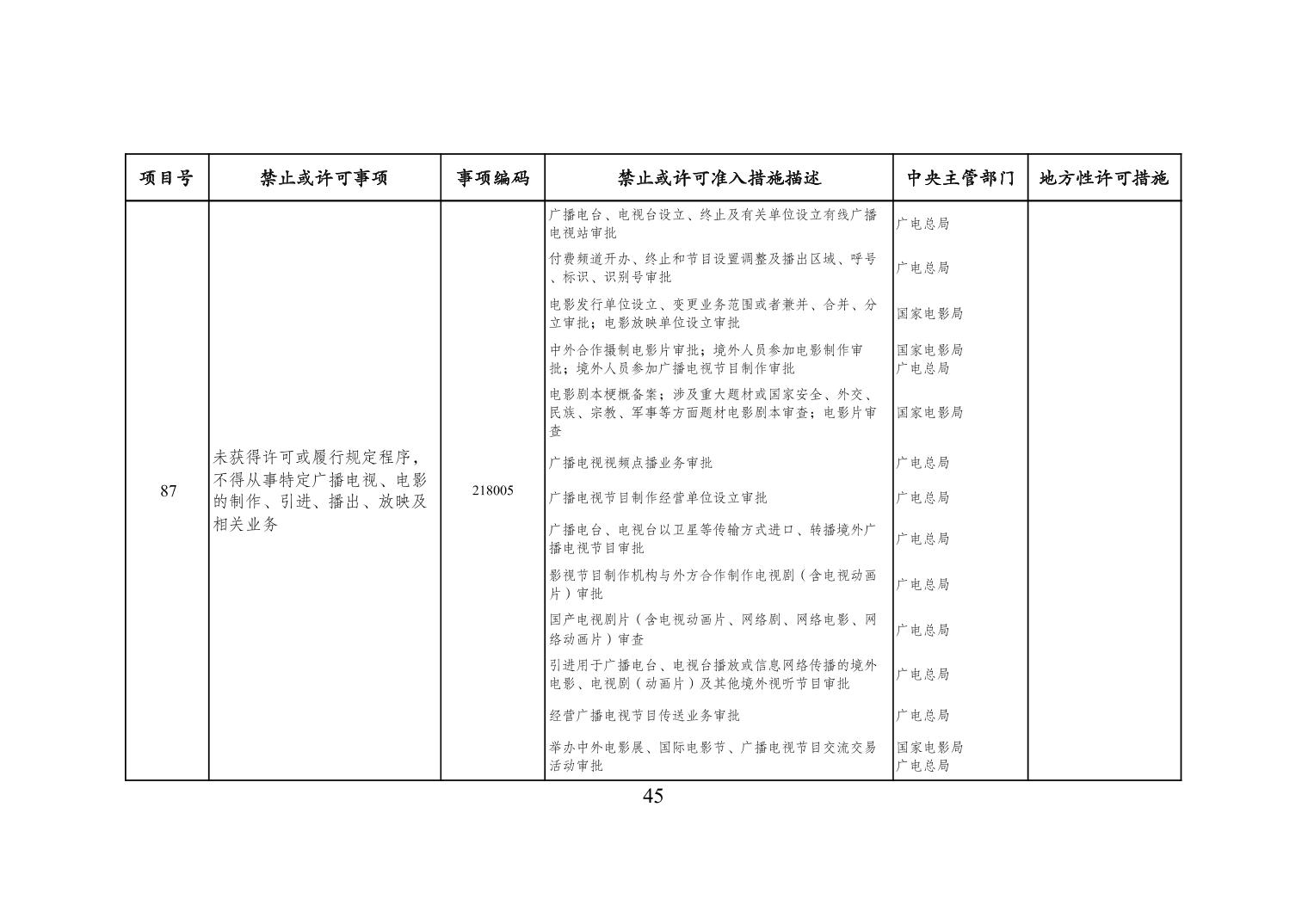
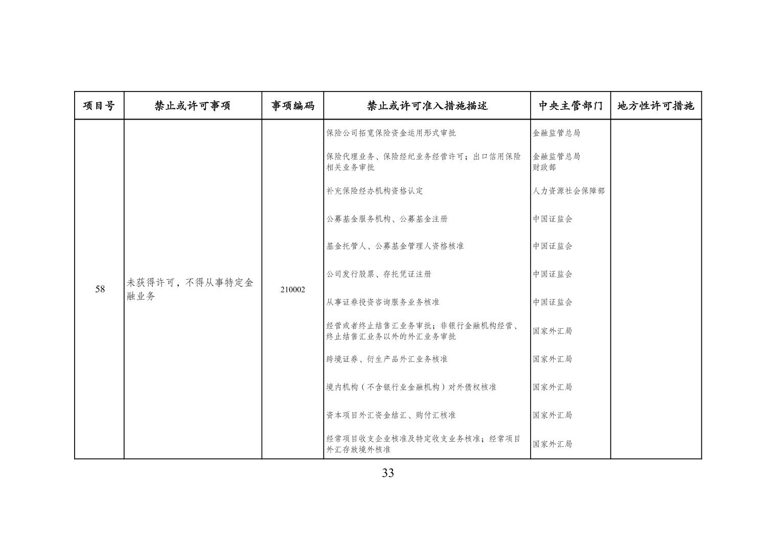
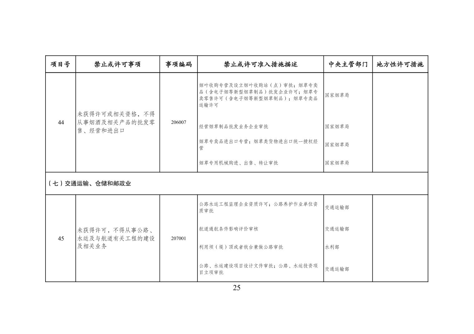
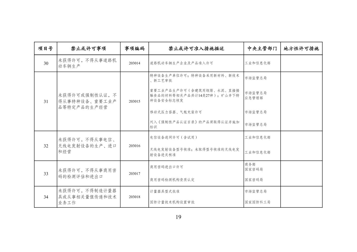
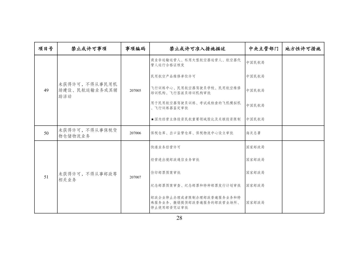
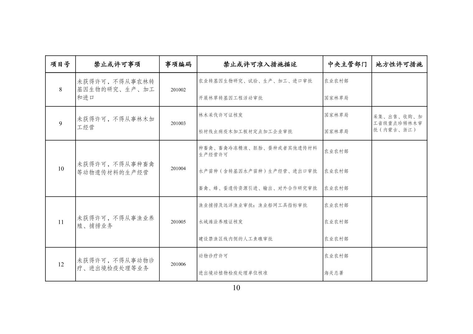
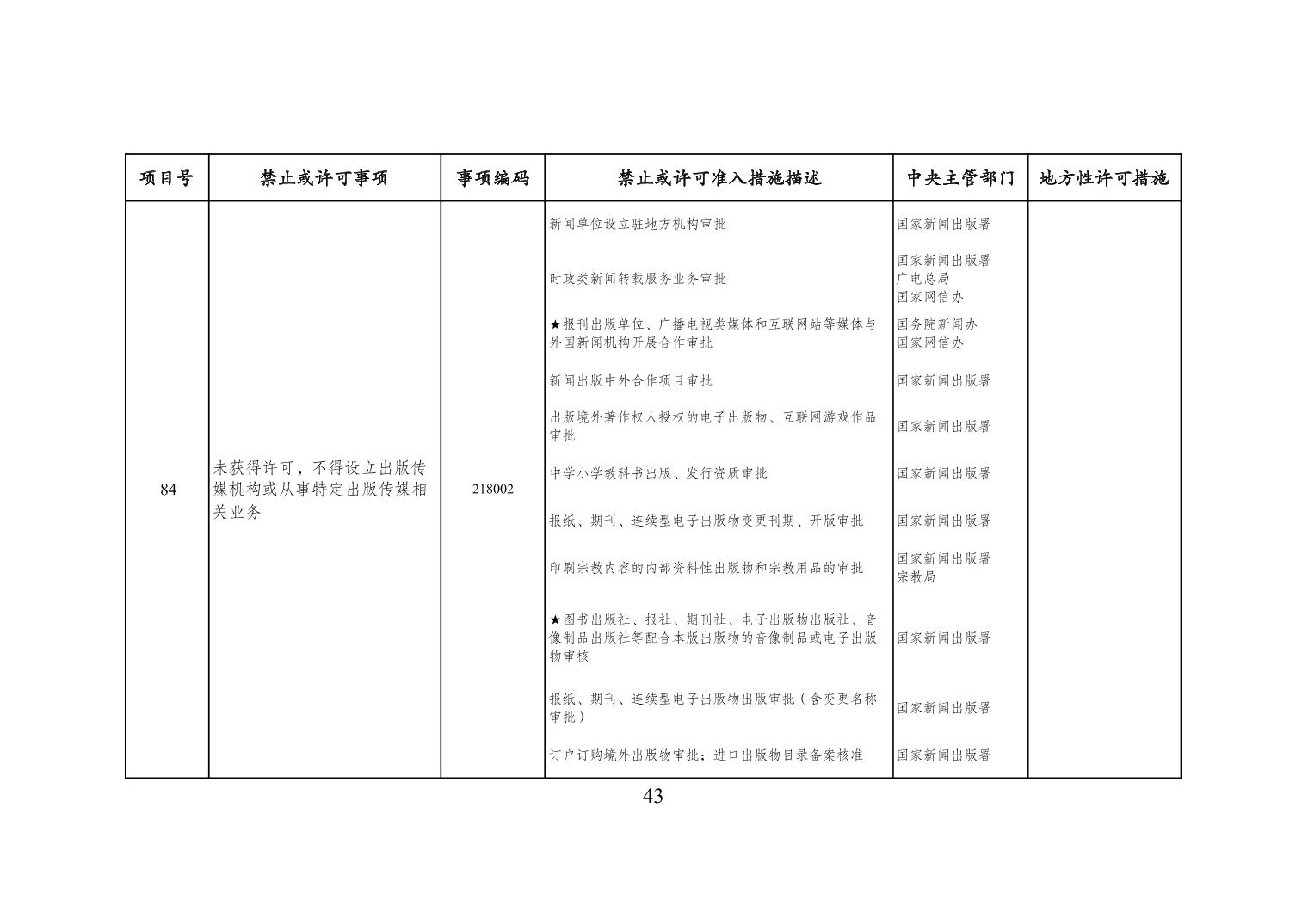
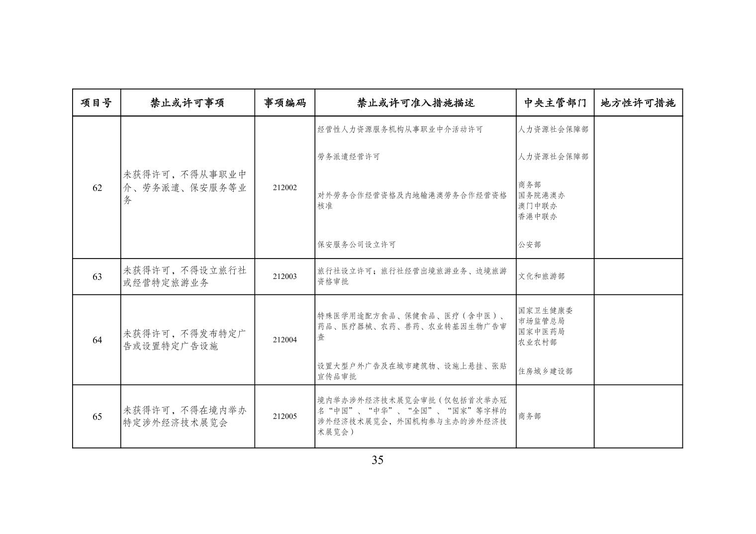
市场准入负面清单2025版
日期:2025-06-03
语音播报
分享:
字号 :
大
中
小
14678315
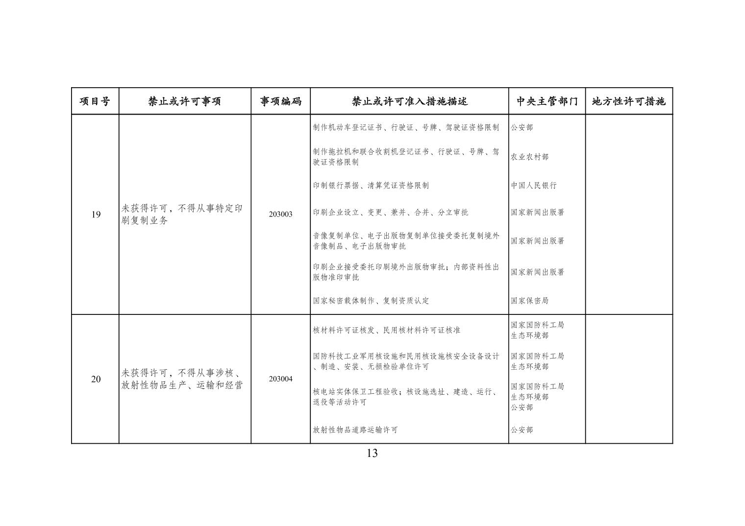
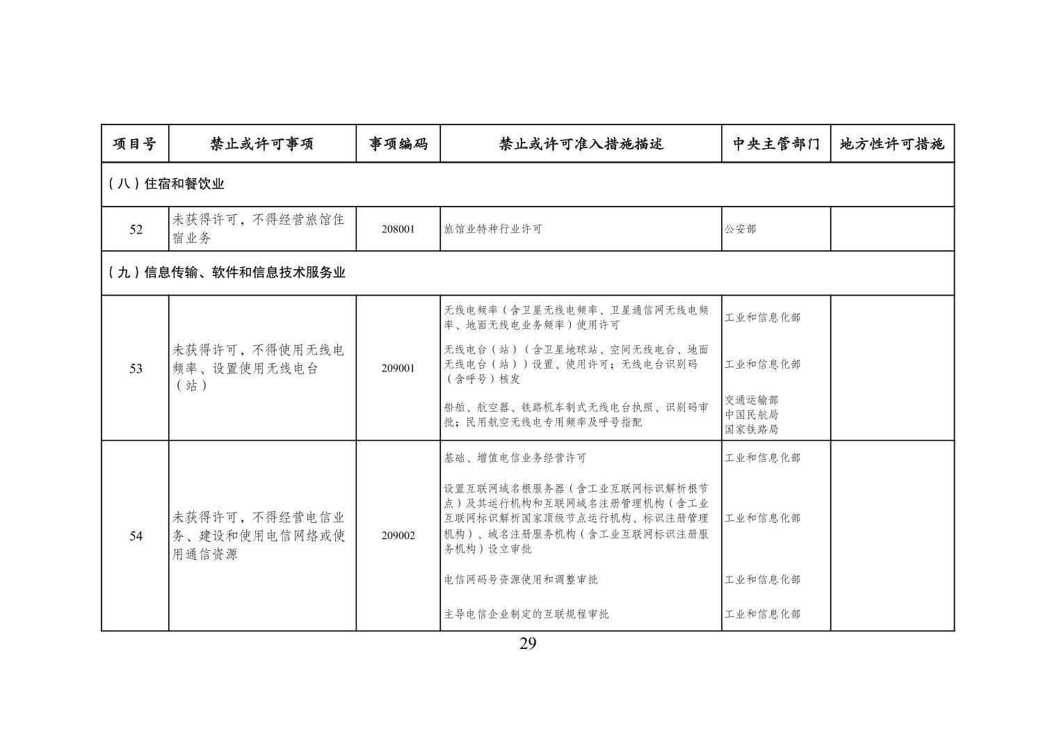
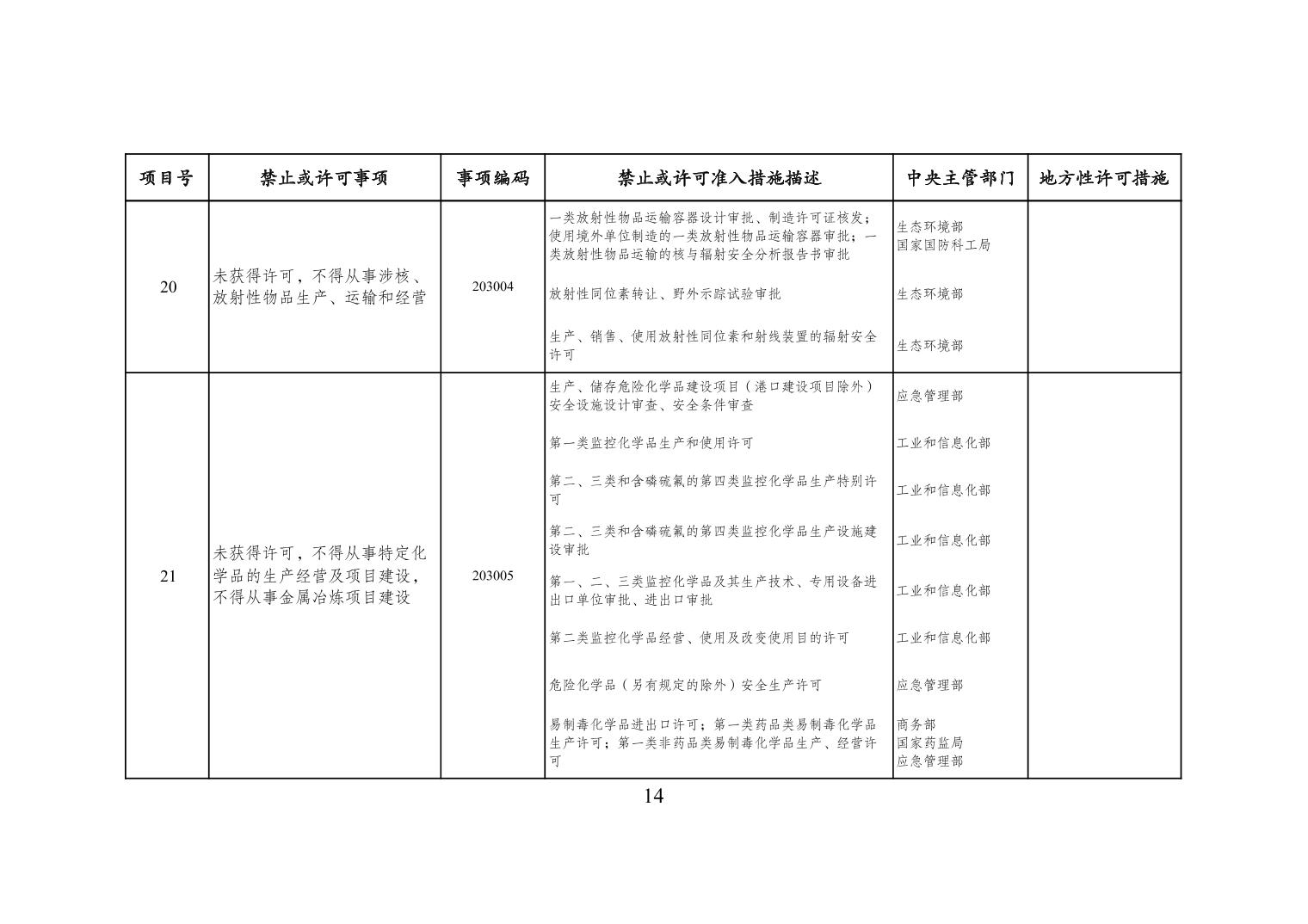
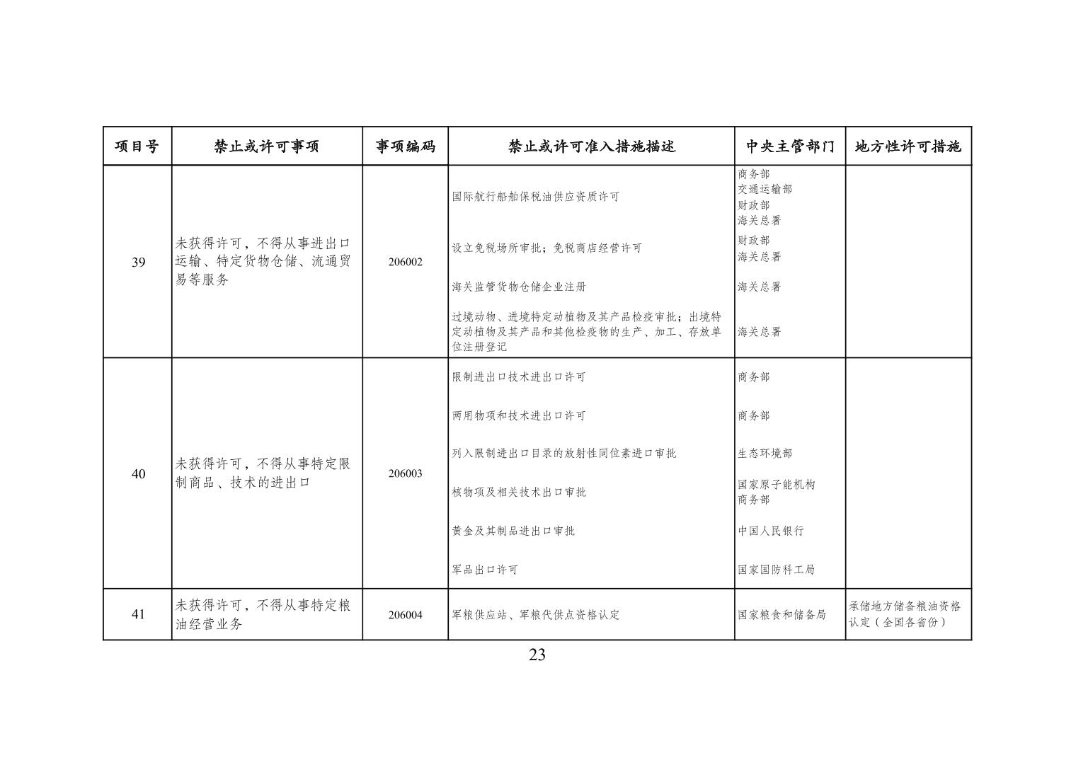
市场准入负面清单2025版
211873
市场准入负面清单
20
2025-06-03